一、閉口式BA系列交流電流傳感器

1.產品概述
BA系列產品應用電磁感應原理,對電網中的交流電流進行實時測量,采用恒流和線性補償技術,將其隔離變換為標準的直流信號輸出。DC12V或24V安全電壓或AC/DC85-265V電壓供電,可廣泛用于工業自動化領域。BA50L為變流剩余電流互感器主要檢測用電系統的漏電流,能隨時掌握電氣線路和設備的情況,防止因漏電而發生的火災等事故。

2.型號說明

3.通用技術條件

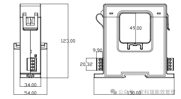
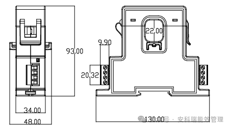
4.外形及安裝
①DC12V或24V供電款外形及穿孔尺寸

②AC/DC85-265V供電款外形及穿孔尺寸

5.安裝方法
安裝方式可選擇導軌安裝或螺釘固定安裝,具體操作如下:
a、導軌安裝
選擇適合的地方安裝標準DIN35mm導軌,將BA傳感器安裝到導軌上即可;

b、 螺絲固定安裝
在柜體底板上,選擇適合的地方開兩個與所安裝傳感器固定孔位置相對應的螺紋孔;將傳感器放置后安裝定位螺釘(順時針)。

二、開口式BA系列交流電流傳感器

1.產品概述
開口式BA系列產品應用電磁感應原理,對電網中的交流電流進行實時測量,采用恒流和線性補償技術,將其隔離變換為標準的直流信號輸出。DC12V或24V安全電壓,可廣泛用于工業自動化領域。

2.型號說明

3.技術條件

4.外形尺寸
①BAK20-AI外形尺寸

②BAK50-AI外形尺寸

三、智能型BA系列交流電流傳感器

1.產品概述
智能型BA系列電流傳感器應用電磁感應原理,對電網中的交流電流進行實時測量,采用恒流和線性補償技術,將其隔離變換為標準的直流信號輸出,或通過RS485接口(Modbus-RTU協議)將測量數據進行傳輸。DC24V或12V安全電壓供電,可廣泛用于工業自動化領域。BA50L(Ⅱ)-AI為交流剩余電流互感器,主要檢測用電系統的漏電流,能隨時掌握電氣線路和設備的情況,防止因漏電而發生的火災等事故。

一體式

分體式
2.型號說明

3.技術參數

4.外形及安裝
①一體式

②分體式

四、安科瑞BA系列產品的運用場景:

工業自動化領域:如石油化工、鋼鐵冶金、水泥建筑、軌道交通等行業,可用于對生產設備的電流進行實時監測,幫助工作人員了解設備的運行狀態,及時發現電流異常情況,保障生產過程的穩定和安全。
電力系統:在變電站、配電室等場所,安科瑞BA系列電流傳感器可以對電力線路中的電流進行準確測量和傳輸,為電力系統的運行監控、故障診斷和保護提供數據支持,有助于提高電力系統的可靠性和穩定性。
建筑領域:在智能建筑中,可用于監測建筑內各個區域的用電情況,實現對空調、照明、電梯等設備的能耗監測和管理,幫助建筑管理者優化能源使用,降低能耗成本。例如在商業建筑中,通過監測不同區域的電流數據,可以分析出各個區域的用電高峰期和低谷期,從而合理調整設備的運行時間和功率,實現節能降耗。
數據中心:數據中心對電力供應的穩定性和安全性要求,安科瑞BA系列電流傳感器可以實時監測數據中心內服務器、UPS、空調等設備的電流情況,及時發現設備的過載、短路等故障,保障數據中心的正常運行。
新能源領域:在分布式光伏發電、風力發電等新能源項目中,可用于監測發電設備的輸出電流,以及并網線路的電流情況,為新能源系統的運行監控和能量管理提供數據支持,有助于提高新能源的利用效率和并網穩定性。