摘 要:隨著分布式光伏裝機容量的快速增長,電網逆流問題日益凸顯。當光伏發電功率大于本地負荷功率時,多余的電力會流入電網,形成逆流。這不僅會導致電網系統電壓升高,影響供電質量,還可能損壞用戶側和光伏發電側設備,威脅電網系統的安全穩定運行。加之?國家能源局發布的《分布式光伏發電開發建設管理辦法》中,提出大型工商業分布式光伏原則上選擇全部自發自用模式。根據這一政策,大型工商業分布式光伏項目中防逆流的需求應運而生。
關鍵詞:分布式光伏;大型工商業;自發自用;防逆流。
1
項目概況
內蒙古阿拉善中高綠能能源分布式光伏項目,位于內蒙古烏斯太鎮,裝機容量為7MW,采用自發自用、余電不上網模式。
用戶配電站為35kV用戶站,采用兩路電源單母線分段系統。本項目共設置12臺35/0.4kV變壓器,在變壓器T1-T5以及T8低壓側分別設置0.4kV光伏并網點,其中T1在綜合樓設置1個并網點,距離35kV進線1000米,為一期接入;T2設置5個并網點,分設在4個配電房(食堂、化驗樓、中控室、丁類倉庫),距離35kV進線600米-1000米,為一期接入,食堂、化驗樓、中控室均為1個并網柜,丁類倉庫為2個并網柜;T3設置在獨立配電房內,距離35kV配電房500米,設置5個并網柜,為二期接入;T4設置在獨立配電房內,距離35kV配電房500米,設置2個并網柜,為二期接入;T5設置在35kV配電房內,設置2個并網柜,為二期接入;T8設置在獨立配電房內,距離35kV配電房500米,設置6個并網柜,為二期接入。針對一期(1MW)、二期(6MW)接入的光伏,該項目要求自發自用、余電不上網,逆流檢測點設置在35kV進線側,根據上述基本條件結合原施工圖設計制定以下通過調整(降低)光伏發電系統輸出功率以達到限制上網功率的控制策略方案。
2
項目需求
測量35kV兩路進線處功率,當功率過低時,通過能量管理系統無人值守狀態下實時動態調整逆變器輸出功率來實現光伏電站持續運行,同時也要確保輸出功率能量管理系統安全、可靠運行。在輸出功率能量管理系統動態調整失效時能夠自動切斷部分光伏發電回路保障35kV線路供電正常,并能自動恢復能量管理系統正常運行、自動切斷部分逆變器恢復運行。
3
產品方案
本項目根據用戶需求采用柔性調節逆變器出力+防逆流保護跳閘方案。柔性調節通過能量管理系統Acrel-2000MG來實現,防逆流保護跳閘采用AM5SE-PV主從機來實現,詳細方案如下。

圖1 中高綠能能源項目產品配置圖
上圖為本項目產品配置圖,在35kV兩路進線處分別配置2臺防逆流主機AM5SE-PVM采集市電進線電流、電壓,計算功率Ppcc,針對一期,在變壓器低壓側T1-T2處配置5臺防逆流從機AM5SE-PVS2用于分合并網柜;針對二期,在變壓器低壓側T3-T5以及T8處分別配置一臺防逆流從機AM5SE-PVS2用于分合并網柜。防逆流主機和防逆流從機之間通過多模光纖連接。由于該項目35kV側為單母線分段系統,所以需針對35kV母聯為合或分時整定不同策略,母聯合位由1#AM5SE-PVM采集,并上傳至能量管理系統,由能量管理系統針對母聯狀態切換策略執行。
母聯為合位且1#進線供電時,1#進線策略如下:
1)當Ppcc≤P1-1,且功率因數PF>0時,由Acrel-2000MG能量管理系統柔性調節T3、T4、T5、T8逆變器功率(T1、T2逆變器不參與調節);
2)當Ppcc≤P1-21,且功率因數PF>0時,由1#AM5SE-PVM通過光纖發命令給T5配電房AM5SE-PVS2,從機跳開T5配電房所有并網柜;
3)當Ppcc≤P1-22,且功率因數PF>0時,且T5所有并網柜為分,由1#AM5SE-PVM通過光纖發命令給T4配電房AM5SE-PVS2,從機跳開T4配電房所有并網柜;
4)當Ppcc≤P1-23,且功率因數PF>0時,且T4所有并網柜為分,由1#AM5SE-PVM通過光纖發命令給T3配電房AM5SE-PVS2,從機跳開T3配電房所有并網柜;
5)當Ppcc≤P1-24,且功率因數PF>0時,且T3所有并網柜為分,由1#AM5SE-PVM通過光纖發命令給T8配電房AM5SE-PVS2,從機跳開T8配電房所有并網柜;
6)當Ppcc≤P1-25,且功率因數PF>0時,且T5所有并網柜為分,由2#AM5SE-PVM通過光纖發命令給綜合樓AM5SE-PVS2,從機跳開綜合樓并網柜;
7)當Ppcc≤P1-26,且功率因數PF>0時,且綜合樓并網柜為分,由2#AM5SE-PVM通過光纖發命令給食堂AM5SE-PVS2,從機跳開食堂并網柜;
8)當Ppcc≤P1-27,且功率因數PF>0時,且食堂并網柜為分,由2#AM5SE-PVM通過光纖發命令給化驗樓AM5SE-PVS2,從機跳開化驗樓并網柜;
9)當Ppcc≤P1-28,且功率因數PF>0時,且化驗樓并網柜為分,由2#AM5SE-PVM通過光纖發命令給中控室AM5SE-PVS2,從機跳開中控室并網柜;
10)當Ppcc≤P1-29,且功率因數PF>0時,且中控室并網柜為分,由2#AM5SE-PVM通過光纖發命令給丁類倉庫AM5SE-PVS2,從機跳開丁類倉庫2個并網柜;
11)若產生逆流,即當|Ppcc|≥P1-31,且功率因數PF<0時,由1#AM5SE-PVM通過光纖發命令給T5、T4、T3、T8配電房AM5SE-PVS2,所有從機跳開相關并網柜;當|Ppcc|≥P1-32,且功率因數PF<0時,由2#AM5SE-PVM通過光纖發命令給綜合樓、食堂、化驗樓、中控室、丁類倉庫配電房AM5SE-PVS2,所有從機跳開相關并網柜;
12)當Ppcc≥P1-4,且功率因數PF>0時,由Acrel-2000MG能量管理系統下發指令給遙控防逆流從機AM5SE-PVS2合上并網柜(此處并網柜為分的均需合閘),再調節逆變器功率至額定功率的20%(此值由用戶確定且可設)(只遙控T3、T4、T5、T8并網柜合閘,T1、T2并網柜由現場人員手動合閘)。
母聯為合位且2#進線供電時,2#進線策略如下:
1)當Ppcc≤P2-1,且功率因數PF>0時,由Acrel-2000MG能量管理系統柔性調節T3、T4、T5、T8逆變器功率(T1、T2逆變器不參與調節);
2)當Ppcc≤P2-21,且功率因數PF>0時,由3#AM5SE-PVM通過光纖發命令給T8配電房AM5SE-PVS2,從機跳開T8配電房所有并網柜;
3)當Ppcc≤P2-22,且功率因數PF>0時,且T8所有并網柜為分,由3#AM5SE-PVM通過光纖發命令給T5配電房AM5SE-PVS2,從機跳開T5配電房所有并網柜;
4)當Ppcc≤P2-23,且功率因數PF>0時,且T5所有并網柜為分,由3#AM5SE-PVM通過光纖發命令給T4配電房AM5SE-PVS2,從機跳開T4配電房所有并網柜;
5)當Ppcc≤P2-24,且功率因數PF>0時,且T4所有并網柜為分,由3#AM5SE-PVM通過光纖發命令給T3配電房AM5SE-PVS2,從機跳開T3配電房所有并網柜;
6)當Ppcc≤P2-25,且功率因數PF>0時,且T3所有并網柜為分,由4#AM5SE-PVM通過光纖發命令給綜合樓AM5SE-PVS2,從機跳開綜合樓并網柜;
7)當Ppcc≤P2-26,且功率因數PF>0時,且綜合樓并網柜為分,由4#AM5SE-PVM通過光纖發命令給食堂AM5SE-PVS2,從機跳開食堂并網柜;
8)當Ppcc≤P2-27,且功率因數PF>0時,且食堂并網柜為分,由4#AM5SE-PVM通過光纖發命令給化驗樓AM5SE-PVS2,從機跳開化驗樓并網柜;
9)當Ppcc≤P2-28,且功率因數PF>0時,且化驗樓并網柜為分,由4#AM5SE-PVM通過光纖發命令給中控室AM5SE-PVS2,從機跳開中控室并網柜;
10)當Ppcc≤P2-29,且功率因數PF>0時,且中控室并網柜為分,由4#AM5SE-PVM通過光纖發命令給丁類倉庫AM5SE-PVS2,從機跳開丁類倉庫2個并網柜;
11)若產生逆流,即當|Ppcc|≥P2-31,且功率因數PF<0時,由3#AM5SE-PVM通過光纖發命令給T5、T4、T3、T8配電房AM5SE-PVS2,所有從機跳開相關并網柜;當|Ppcc|≥P2-32,且功率因數PF<0時,由4#AM5SE-PVM通過光纖發命令給綜合樓、食堂、化驗樓、中控室、丁類倉庫配電房AM5SE-PVS2,所有從機跳開相關并網柜;
12)當Ppcc≥P2-4,且功率因數PF>0時,由Acrel-2000MG能量管理系統下發指令給遙控防逆流從機AM5SE-PVS2合上并網柜(此處并網柜為分的均需合閘),再調節逆變器功率至額定功率的20%(此值由用戶確定且可設)(只遙控T3、T4、T5、T8并網柜合閘,T1、T2并網柜由現場人員手動合閘)。
母聯為分位時,1#進線策略如下:
1)當Ppcc≤P3-1,且功率因數PF>0時,由Acrel-2000MG能量管理系統柔性調節T3、T4、T5逆變器功率(T1、T2逆變器不參與調節);
2)當Ppcc≤P3-21,且功率因數PF>0時,由1#AM5SE-PVM通過光纖發命令給T5配電房AM5SE-PVS2,從機跳開T5配電房所有并網柜;
3)當Ppcc≤P3-22,且功率因數PF>0時,且T5所有并網柜為分,由1#AM5SE-PVM通過光纖發命令給T4配電房AM5SE-PVS2,從機跳開T4配電房所有并網柜;
4)當Ppcc≤P3-23,且功率因數PF>0時,且T4所有并網柜為分,由1#AM5SE-PVM通過光纖發命令給T3配電房AM5SE-PVS2,從機跳開T3配電房所有并網柜;
5)當Ppcc≤P3-24,且功率因數PF>0時,且T5所有并網柜為分,由2#AM5SE-PVM通過光纖發命令給綜合樓AM5SE-PVS2,從機跳開綜合樓并網柜;
6)當Ppcc≤P3-25,且功率因數PF>0時,且綜合樓并網柜為分,由2#AM5SE-PVM通過光纖發命令給食堂AM5SE-PVS2,從機跳開食堂并網柜;
7)當Ppcc≤P3-26,且功率因數PF>0時,且食堂并網柜為分,由2#AM5SE-PVM通過光纖發命令給化驗樓AM5SE-PVS2,從機跳開化驗樓并網柜;
8)當Ppcc≤P3-27,且功率因數PF>0時,且化驗樓并網柜為分,由2#AM5SE-PVM通過光纖發命令給中控室AM5SE-PVS2,從機跳開中控室并網柜;
9)當Ppcc≤P3-28,且功率因數PF>0時,且中控室并網柜為分,由2#AM5SE-PVM通過光纖發命令給丁類倉庫AM5SE-PVS2,從機跳開丁類倉庫2個并網柜;
10)若產生逆流,即當|Ppcc|≥P3-31,且功率因數PF<0時,由1#AM5SE-PVM通過光纖發命令給T5、T4、T3配電房AM5SE-PVS2,所有從機跳開相關并網柜;當|Ppcc|≥P3-32,且功率因數PF<0時,由2#AM5SE-PVM通過光纖發命令給綜合樓、食堂、化驗樓、中控室、丁類倉庫配電房AM5SE-PVS2,所有從機跳開相關并網柜;
11)當Ppcc≥P3-4,且功率因數PF>0時,由Acrel-2000MG能量管理系統下發指令給遙控防逆流從機AM5SE-PVS2合上并網柜(此處并網柜為分的均需合閘),再調節逆變器功率至額定功率的20%(此值由用戶確定且可設)(只遙控T3、T4、T5并網柜合閘,T1、T2并網柜由現場人員手動合閘)。
母聯為分位時,2#進線策略如下:
1)當Ppcc≤P4-1,且功率因數PF>0時,由Acrel-2000MG能量管理系統柔性調節T8逆變器功率;
2)當Ppcc≤P4-2,且功率因數PF>0時,由3#AM5SE-PVM通過光纖發命令給T8配電房AM5SE-PVS2,從機跳開T8配電房所有并網柜;
3)若產生逆流,即當|Ppcc|≥P4-3,且功率因數PF<0時,由3#AM5SE-PVM通過光纖發命令給T8配電房AM5SE-PVS2,從機跳開T8配電房所有并網柜;
4)當Ppcc≥P4-4,且功率因數PF>0時,由Acrel-2000MG能量管理系統下發指令給遙控防逆流從機AM5SE-PVS2合上T8配電房并網柜,再調節逆變器功率至額定功率的20%(此值由用戶確定且可設)。
4
項目拓撲方案
1) 方案拓撲圖

圖2 項目方案拓撲圖
2) 防逆流保護典型接線

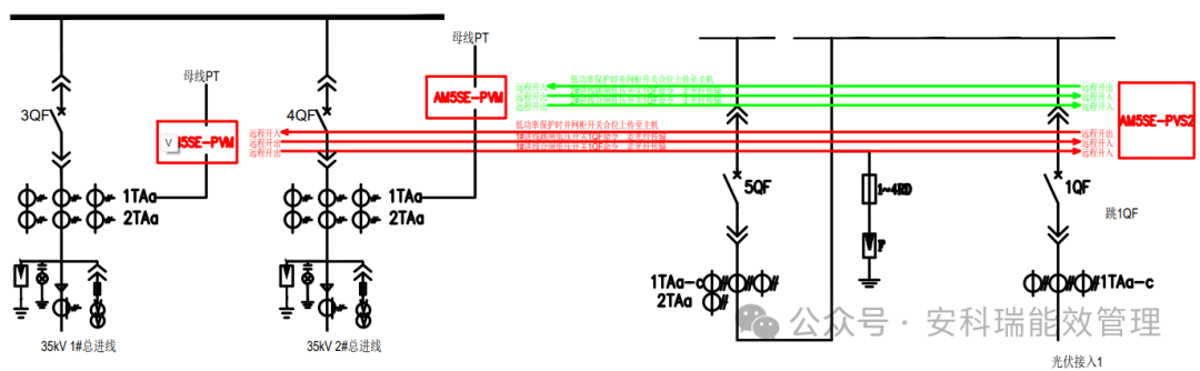
圖3 防逆流保護典型接線
5
現場安裝圖片
本項目防逆流主機和能量管理系統采用組屏方式安裝,防逆流從機就地安裝在并網柜上,現場安裝圖片如下。

圖4 防逆流主機屏

圖5 防逆流從機安裝圖片

圖6 能量管理系統實時事件
6
結語
本文介紹的能量管理系統,可以在光伏高發時柔性調節逆變器功率,同時結合防逆流主從機也可以在大負荷切除或系統通信失聯時,及時保障防逆流功能準確動作,該方案提高能源利用率,有助于后續大型工商業光伏項目自發自用、余電不上網模式的實施。