隨著屋頂光伏如雨后春筍般崛起,部分地區因裝機飽和進入 "紅區"—— 當地電網嚴令新建項目必須實現100% 自發自用,逆流超標即面臨考核罰款。國家能源局新規也明確:6MW 以上項目全自用,6MW 以下視區域限制可能需加裝防逆流裝置,否則無法并網!
面對政策與技術的雙重挑戰,安科瑞推出一套「柔性調節 + 剛性保護」雙保險方案,既能精準遏制逆流,又能利用光伏電力,助您輕松跨過并網合規門檻!
我們的防逆流方案就像給電網與光伏之間裝了一個「智能調節閥」,通過兩大核心設備協同作戰:

實時算量
云端聯動
近距離場景(≤200m)

遠距離場景(>200m)


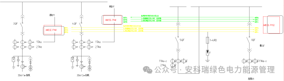
僅需在進線柜安裝 AM5SE-IS,3 根信號線連接 ACCU-100,即完成 "監測 - 計算 - 調節" 閉環,適合小型工商業屋頂項目。

主機坐鎮進線柜,從機分駐各并網柜,最遠支持 1km 信號傳輸,大型園區、廠房屋頂群項目,杜絕 "顧此失彼" 的逆流風險。

支持 1 個從機接入 4 個主機信號,適配醫院、數據中心等多路電源場景,無論電網結構多復雜,都能精準識別公共連接點(C/D 點)逆流,避免誤判漏判。
雙重保險機制
數據全透明

無論您是 EPC 總包商、園區業主還是運維方,安科瑞提供:
? 定制化設計:免費現場勘查,根據電網結構、光伏布局量身定制方案
? 一站式交付:設備 + 軟件 + 調試全包,支持與華為 SmartLogger 等主流逆變器無縫對接
? 全周期服務:7×24 小時遠程運維,定期合規性巡檢,讓項目長期穩定運行
當防逆流成為并網 "必答題",選擇一套兼顧安全性與經濟性的方案,就是為項目上了 "雙保險"。安科瑞防逆流方案已在浙江、廣東等紅區省份落地 50 + 項目,幫助客戶平均減少 98% 逆流事件,發電自用率提升至 95% 以上。

安科瑞電氣:聚焦用戶側智慧能源管理,為分布式光伏、微電網等提供全生命周期解決方案。合規并網,高效用能,我們與您一起,讓每一片光伏板都成為可靠的 "發電站"
小貼士
:防逆流裝置安裝需注意公共連接點(如配電室進線端)的精準監測,避免將并網點(光伏接入用戶電網的點)與公共連接點混淆,確保監測數據真實反映上網功率哦!